Bàn xoay rỗng DTN130 dùng cho servo 200w/400w
Liên hệ
Bàn xoay rỗng DTN130 dùng servo là giải pháp hoàn hảo cho các hệ thống yêu cầu độ chính xác cao và vận hành ổn định. Với thiết kế trục rỗng, khả năng chịu tải tốt và độ rơ thấp, DTN130 đang trở thành thiết bị không thể thiếu trọng ngành tự động hóa.
- Bàn xoay rỗng DTN130-10K-400SV
- Bàn xoay rỗng DTN130-18K-400SV
Bàn xoay rỗng DTN130 dùng cho servo là thiết bị quan trọng trong tự động hóa, yêu cầu độ chính xác cao, tốc độ ổn định, dùng nhiều trong hệ thống máy CNC, dây chuyền sản xuất tự động và robot công nghệp.
DTN130 là dòng bàn xoay giảm tốc chính xác, được thiết kế để kết hợp trực tiếp với động cơ servo, định vị cực kỳ chính xác, vận hành mượt và tuổi thọ cao.
Thiết kế trục rỗng tiện lợi
- Luồn dây điện, dây tín hiệu
- Đi ống khí nén
- Tối ưu không gian máy
Độ chính xác cao: DTN130 sử dụng hệ thống giảm tốc chính xác cao, kết hợp động cơ servo giúp
- Định vị chính xác từng góc quay
- Sai số thấp
- Không bị mấy bước như động cơ step
Độ rơ thấp, vận hành ổn định
- Độ rơ gần như bằng 0
- Không rung lắc khi quay
- Hoạt động ổn định trong thời gian dài
Tăng momen – giảm tải cho động cơ
Bàn xoay có tỉ số truyển : 1.10, 1/18
- Giúp tăng momen đầu ra
- Giảm tải cho servo
- Nâng cao hiệu suất toàn hệ thống
Thông số kỹ thuật cơ bản của DTN130
- Model: DTN130-10K-400SV , DTN130-18K-400SV
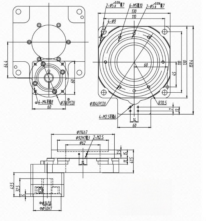
- Đường kính mặt bàn : 130mm
- Đường kính lỗ rỗng: 50-62mm
- Tỷ số truyền : 1/10, 1/18
- Động cơ servo: 200W, 400w
Nguyên lý hoạt động của bàn xoay rỗng DTN130.
- Đông cơ servo truyển động quay
- Hệ thống bánh răng giảm tốc bên trong xử lý tốc độ
- Momen được tăng lên tại trục đầu ra
- Mặt bàn xoay thực hiện chuyển động chính xác theo điều khiển
- Nhờ có encoder của servo , hệ thông luôn đảm bảo: Đúng vị trí, không sai lệch sau nhiều chu kỳ.
Ứng dụng của bàn xoay DTN130.
- Máy tự động hóa
- Robot công nghiệp
- Máy CNC
- Ngành đóng gói
Ưu điểm khi dùng bàn xoay DTN130 với động cơ servo
- Servo có encoder phản hồi giúp: không mất bước, điều khiển chính xác tuyệt đối.
- Tốc độ cao : tăng tốc nhanh, dừng chính xác, phù hợp sản xuất tốc độ cao
- Momen ổn định: Không bị giảm momen ở tốc độ cao
- Hoạt động mạnh mẽ, bền bỉ
Hướng dẫn lắp đặt và sử dụng
- Lắp đặt chắc chắn, cân bằng
- Không để quá tải
- kiểm tra đồng tâm giữa servo và bàn xoay
- Bảo trì định kỳ
- tránh va đập mạnh làm ảnh hưởng độ chính xác
Hãy là người đầu tiên nhận xét “Bàn xoay rỗng DTN130 dùng cho servo 200w/400w” Hủy
Bạn phải bđăng nhập để gửi đánh giá.











Đánh giá
Chưa có đánh giá nào.